06导出PDF
由 admin 于 2026/01/07 14:10 最后修改
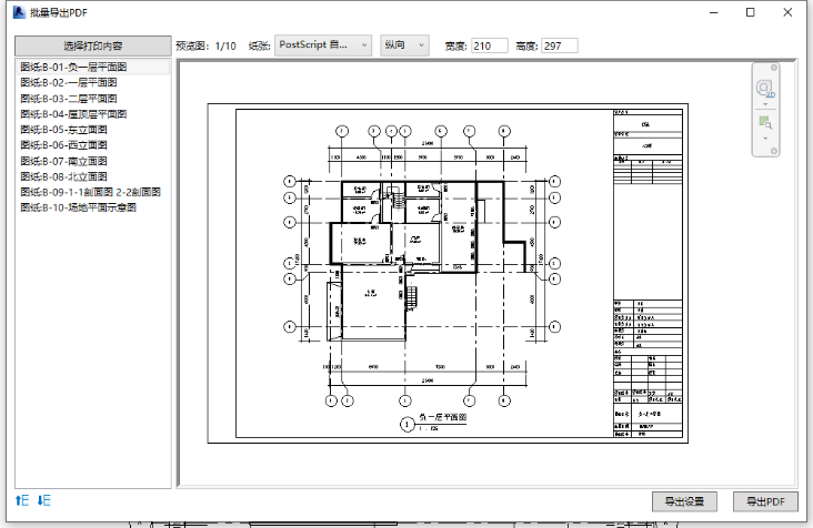
1.点击“导出PDF”按钮

2.弹出界面

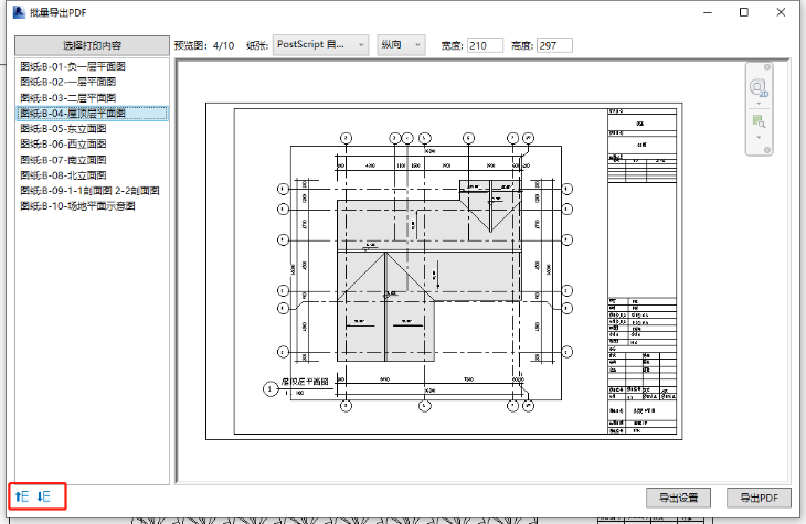
3.点选“上移”“下移”按钮

- 可调整所选的图纸上下移动位置
4.点击选择打印内容按钮弹出选项框

- 仅当前视图/图纸:只能导出当前视图或图纸的pdf
- 模型中所有图纸:显示项目中所有的图纸,可以勾选需要导出pdf
- 模型中所有视图:显示项目中所有的视图,可以勾选需要导出pdf
5.点击纸张下拉菜单

- 可选择标准大小纸张,也可自定义纸张大小
6.点击导出设置


- 可选择“根据项目名称命名”或自定义命名

- 页面位置支持选择中心及角部偏移

- 支持匹配页面和自定义缩放比例
7.点击导出pdf

- 选择保存路径即可完成导出pdf。
下一章节: